courant continu et alternatif

En panne, un réglage à faire ou autre ? C'est par là !
Répondre
banditman
Nouveau membre !
Nouveau membre !
Messages : 4
Inscription : mar. 26 févr. 2019 - 10:04

courant continu et alternatif

Message par banditman »

Salut ,

Après plusieurs essais avec different régulateurs. J'ai enfin réussi à avoir du 14,5V continu sur mon allumage doppler digital pour nitro (le meme que le MVT dd).
Le régulateur est un model 4 broches à plat (de nitro??).Je n'ai pas de batterie. Il va alimenter une pompe à eau. J'ai les 14,5v meme au ralenti.

J'ai épluché les poste parlant de l'installation du régul et il est souvent dit que la sorti régulé en courant continu ne doit pas être relié à la masse.
Le problème est que pour faire fonctionner le régulateur, je dois brancher le - à la masse. Je n'ai pas envie de tout cramer.
Quelqu'un peut il m'expliquer le fonctionnement clair des deux fils jaune et blanc ainsi que du régulateur?
Les phares ne sont pas encore reliés, faut il les brancher sur le rouge en sorti du régul ou sur le jaune en entrée?

Je mets en pdf un schema de mon câblage.
regul.pdf
(38.33 Kio) Téléchargé 218 fois
Avatar de l’utilisateur
mesta208
Don Juan marabouté
Don Juan marabouté
Messages : 4592
Inscription : dim. 26 févr. 2017 - 2:51
Localisation : Dordogne 24

Re: courant continu et alternatif

Message par mesta208 »

Salut,
Le "-" qui va à la pompe ou tout autre consommateur, ne le raccorde surtout pas à la masse du cadre.
En gros dans ton régule il rentre le + et le- de l'allumage (jusque là que le "-" soit sur le cadre on s'en balec, qu'on m'arrête si je dis une connerie) et il sort un + et un- regulé à utiliser, soit pour la batterie, soit pour les consommateurs, soit les deux mais en aucun cas faire un retour masse.
Donc attention avec les corps de pompe ou phare métallique et non isolé à la masse.

Ou alors à l'inverse tu isoles complètement la masse entrante, mais moteur sur le cadre ça peut être compliqué. Quoi qu'il en soit, les masses regulées et non régulées ne doivent pas se croiser.
*av49 :
*Av88cc
*Av79
*Av88bi[/b
banditman
Nouveau membre !
Nouveau membre !
Messages : 4
Inscription : mar. 26 févr. 2019 - 10:04

Re: courant continu et alternatif

Message par banditman »

Oui, je pensais comme toi. Mais sans mettre le - a la masse je n'obtiens pas plus de 6 volt.
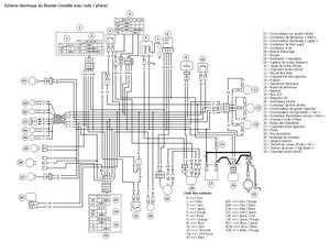
Je viens de zieuter le schéma électrique d'un booster. Le moins du régulateur est relié à la masse et au moins de la batterie. Le + du régulateur est relié au + batterie.
Les phares sont pris sur le jaune (qui je suppose est de l'alternatif)) en entré du régulateur. Les ampoules sont reliés à la masse.
Qu'en penses tu?
Schemas electrique.JPG
Je ne sais sais pas comment les 2 fils jaune et blanc venant de l'allumage sont reliés mais ça doit différent des allumages de 51 avec un seul fil jaune.
Avatar de l’utilisateur
Flucky
Modérateur
Modérateur
Messages : 20071
Inscription : mar. 20 sept. 2005 - 10:32
Localisation : 44 powaaa

Re: courant continu et alternatif

Message par Flucky »

En général, le - du régulateur est uniquement pour la sortie alternative régulée (jaune, là où on branche l'éclairage) et est indépendant de la sortie continu qui elle doit être isolée de la masse.
banditman
Nouveau membre !
Nouveau membre !
Messages : 4
Inscription : mar. 26 févr. 2019 - 10:04

Re: courant continu et alternatif

Message par banditman »

Bon, j'ai fait des essais aujourd'hui.
J'ai gardé mon schéma et j'ai branché les phares sur le jaune en entré du régulateur.
Tout fonctionne. 14.5 v en continu sur la pompe et 14.5 sur les phares en alternatif. Tout est relié à la même masse.
:D
Avatar de l’utilisateur
DataMAX
Dieu de la mob
Dieu de la mob
Messages : 13322
Inscription : sam. 28 août 2004 - 18:30
Contact :

Re: courant continu et alternatif

Message par DataMAX »

On dit merci qui ?? blllll
Répondre